A A+ A++

Innowacyjny modułowy system nagrzewania indukcyjnego z efektywnym kształtowaniem rozkładu pola temperatury

LIDER15/0357/2024

1 września 2025 - 1 marca 2028

W ostatnich latach obserwuje się rosnące zainteresowanie powierzchniowym hartowaniem indukcyjnym – nowoczesną technologią obróbki cieplnej, umożliwiającą znaczną poprawę jakości i trwałości powierzchni roboczych elementów maszyn i narzędzi. Współczesne urządzenia wykorzystywane w tym procesie stają się coraz bardziej efektywne energetycznie, głównie dzięki zastosowaniu energooszczędnych źródeł zasilania oraz zaawansowanych systemów automatycznego sterowania.

Równolegle wzrasta poziom wiedzy technicznej producentów wysokiej klasy przekładni i kół zębatych, co przekłada się na liczne udoskonalenia – m.in. redukcję hałasu, zmniejszenie masy elementów oraz obniżenie kosztów produkcji. Jednym z kluczowych celów hartowania indukcyjnego w przypadku przekładni jest uzyskanie odpowiednio utwardzonej warstwy powierzchniowej, charakteryzującej się zwiększoną odpornością na ścieranie.

Dzięki możliwości kształtowania korzystnej struktury martenzytycznej, hartowanie indukcyjne pozwala często na zastąpienie kosztownych stali wysokostopowych tańszymi stalami średnio- lub wysokowęglowymi, bądź niskostopowymi – bez utraty wymaganych właściwości eksploatacyjnych.

Celem projektu jest opracowanie systemu nagrzewania indukcyjnego do hartowania powierzchniowego. Urządzenie dzięki modułowej budowie i efektywnemu kształtowaniu rozkładu pola temperatury ma umożliwiać hartowanie powierzchniowe o szerokim zakresie częstotliwości (10-30) kHz dla MF i (100-300) kHz dla HF oraz mocy do 100 kW. Pozwoli to na hartowanie za pomocą jednego urządzenia elementów o:
• różnym stopniu złożoności kształtu;
• szerokim zakresie średnic;
• szerokim zakresie głębokości warstwy zahartowanej.

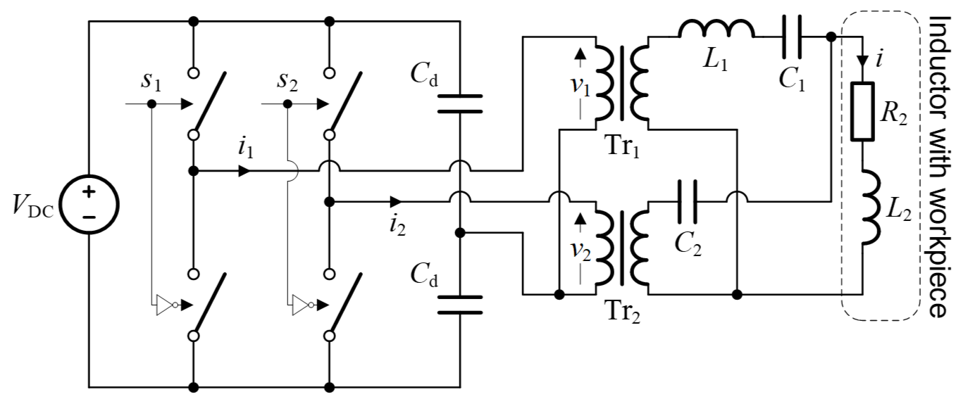
Projekt systemu będzie bazował na patentach 241666 i 245362. Istotą tego urządzenia jest to, że przy możliwie uproszczonej konstrukcji ze względu na liczbę zastosowanych przekształtników oraz elementów biernych obwodów rezonansowych, umożliwia ono niezależne sterowanie mocy składowych średniej (MF) i wysokiej (HF) częstotliwości, np. za pomocą metody częstotliwościowej (FM). Jest to możliwe zarówno w przypadku jednoczesnego (SDF), jak i sekwencyjnego (PDF) nagrzewania dwuczęstotliwościowego.

Patent 241666
Patent 245362

© Politechnika Śląska

Polityka prywatności

Całkowitą odpowiedzialność za poprawność, aktualność i zgodność z przepisami prawa materiałów publikowanych za pośrednictwem serwisu internetowego Politechniki Śląskiej ponoszą ich autorzy - jednostki organizacyjne, w których materiały informacyjne wytworzono. Prowadzenie: Centrum Informatyczne Politechniki Śląskiej (www@polsl.pl)

Deklaracja dostępności

„E-Politechnika Śląska - utworzenie platformy elektronicznych usług publicznych Politechniki Śląskiej”

Fundusze Europejskie
Fundusze Europejskie
Fundusze Europejskie
Fundusze Europejskie